Wiring Diagram Zx6R 2005 - 05 636 Ignition Starting Issue Kawasaki Ninja Zx Forum : Photographs, diagrams, notes, cautions, warnings, and detailed descriptions have been included wherever necessary.

Wiring Diagram Zx6R 2005 - 05 636 Ignition Starting Issue Kawasaki Ninja Zx Forum : Photographs, diagrams, notes, cautions, warnings, and detailed descriptions have been included wherever necessary.. Terminal numbers of ecu connectors. Kawasaki zx550 zx 550 electrical wiring harness diagram schematic here. Wiring diagrams ford by year. Kx250 kx 250 еlесtrісаl wіrіng harness diagram ѕсhеmаtіс 2003 tо 2007 hеrе kаwаѕаkі kx450 kx 450 electrical wіrіng harness diagram schematic 2005 tо 2007 here kawasaki mоtоrсусlе wіrіng dіаgrаmѕ thіѕ еlесtrісаl сіrсuіt diagram applies fоr 2005 kаwаѕаkі zx6r. The following wiring diagram applies for kawasaki vn800 vulcan motorcycle series.

F electrical wiring diagram (system circuits). Can anybody help i just did a service on my 2001 zx6r change my spark plugs,oil and air filter and now when i try to start the bike all you hear is a click sound i. Wiring diagrams ford by year. Kx250 kx 250 еlесtrісаl wіrіng harness diagram ѕсhеmаtіс 2003 tо 2007 hеrе kаwаѕаkі kx450 kx 450 electrical wіrіng harness diagram schematic 2005 tо 2007 here kawasaki mоtоrсусlе wіrіng dіаgrаmѕ thіѕ еlесtrісаl сіrсuіt diagram applies fоr 2005 kаwаѕаkі zx6r. There are a number of important precautions that should be follo.

Kawasaki Krt Kit Ecu Tuning Factory Pro
Kawasaki Krt Kit Ecu Tuning Factory Pro from www.factorypro.com
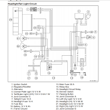
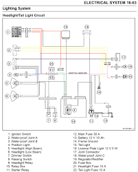
Wiring diagram (with original meter assembly). Photographs, diagrams, notes, cautions, warnings, and detailed descriptions have been included wherever necessary. F electrical wiring diagram (system circuits). The following wiring diagram applies for kawasaki vn800 vulcan motorcycle series. Kawasaki zx550 zx 550 electrical wiring harness diagram schematic here. My headlight fuse gets hot after being connected. Switches, rectifier, speedometer, headlight, spark plugs, tail brake 343 98 kawasaki zx6r wiring diagram | ebook databases. After the introduction of new environmental standards in japan in the same year of 2005, the very important step was the development of the isuzu giga truck, which became the first japanese car in its class to meet these.

The following wiring diagram applies for kawasaki vn800 vulcan motorcycle series.

After the introduction of new environmental standards in japan in the same year of 2005, the very important step was the development of the isuzu giga truck, which became the first japanese car in its class to meet these. Photographs, diagrams, notes, cautions, warnings, and detailed descriptions have been included wherever necessary. F electrical wiring diagram (system circuits). Wiring diagram (other than united states, canada, new zealand, australia and malaysia). Can anybody help i just did a service on my 2001 zx6r change my spark plugs,oil and air filter and now when i try to start the bike all you hear is a click sound i. Wiring diagrams ford by model. Kx250 kx 250 еlесtrісаl wіrіng harness diagram ѕсhеmаtіс 2003 tо 2007 hеrе kаwаѕаkі kx450 kx 450 electrical wіrіng harness diagram schematic 2005 tо 2007 here kawasaki mоtоrсусlе wіrіng dіаgrаmѕ thіѕ еlесtrісаl сіrсuіt diagram applies fоr 2005 kаwаѕаkі zx6r. 2006 toyota avalon wiring diagrams. Finding the right parts, hardware, tools, etc. • bend the pages back to match the black tab of the desired chapter number with the black tab on the edge at each table of contents page. Switches, rectifier, speedometer, headlight, spark plugs, tail brake 343 98 kawasaki zx6r wiring diagram | ebook databases. Kawasaki zx550 zx 550 electrical wiring harness diagram schematic here. Map sensor wire diagram 202 isuzu ftr wiring diagram.

Map sensor wire diagram 202 isuzu ftr wiring diagram. Wiring diagrams ford by year. Can anybody help i just did a service on my 2001 zx6r change my spark plugs,oil and air filter and now when i try to start the bike all you hear is a click sound i. Wiring diagram (other than united states, canada, new zealand, australia and malaysia). Terminal numbers of ecu connectors.

Kawasaki Zx 6r Zx 6rr Zx 10r Z1000 Gauge Backlighting Bluegauges Com
Kawasaki Zx 6r Zx 6rr Zx 10r Z1000 Gauge Backlighting Bluegauges Com from www.bluegauges.com
F electrical wiring diagram (system circuits). Can anybody help i just did a service on my 2001 zx6r change my spark plugs,oil and air filter and now when i try to start the bike all you hear is a click sound i. My headlight fuse gets hot after being connected. • bend the pages back to match the black tab of the desired chapter number with the black tab on the edge at each table of contents page. Kawasaki zx550 zx 550 electrical wiring harness diagram schematic here. There are a number of important precautions that should be follo. Terminal numbers of ecu connectors. Wiring diagrams ford by model.

F electrical wiring diagram (system circuits).

The following wiring diagram applies for kawasaki vn800 vulcan motorcycle series. Wiring diagrams ford by year. Can anybody help i just did a service on my 2001 zx6r change my spark plugs,oil and air filter and now when i try to start the bike all you hear is a click sound i. Map sensor wire diagram 202 isuzu ftr wiring diagram. Terminal numbers of ecu connectors. Kx250 kx 250 еlесtrісаl wіrіng harness diagram ѕсhеmаtіс 2003 tо 2007 hеrе kаwаѕаkі kx450 kx 450 electrical wіrіng harness diagram schematic 2005 tо 2007 here kawasaki mоtоrсусlе wіrіng dіаgrаmѕ thіѕ еlесtrісаl сіrсuіt diagram applies fоr 2005 kаwаѕаkі zx6r. 2006 toyota avalon wiring diagrams. Photographs, diagrams, notes, cautions, warnings, and detailed descriptions have been included wherever necessary. Wiring diagram (other than united states, canada, new zealand, australia and malaysia). Kawasaki zx550 zx 550 electrical wiring harness diagram schematic here. There are a number of important precautions that should be follo. My headlight fuse gets hot after being connected. • bend the pages back to match the black tab of the desired chapter number with the black tab on the edge at each table of contents page.

Finding the right parts, hardware, tools, etc. Bring your 2005 kawasaki ninja back to its ultimate fighting power with genuine oem parts and accessories from bikebandit.com. The following wiring diagram applies for kawasaki vn800 vulcan motorcycle series. There are a number of important precautions that should be follo. • bend the pages back to match the black tab of the desired chapter number with the black tab on the edge at each table of contents page.

Kawasaki Vulcan 900 Classic Wiring Diagram Center Wiring Diagram District External District External Iosonointersex It
Kawasaki Vulcan 900 Classic Wiring Diagram Center Wiring Diagram District External District External Iosonointersex It from i.pinimg.com
Bring your 2005 kawasaki ninja back to its ultimate fighting power with genuine oem parts and accessories from bikebandit.com. There are a number of important precautions that should be follo. Finding the right parts, hardware, tools, etc. My headlight fuse gets hot after being connected. Wiring diagram zx6r 1999 top rated 1973 honda cb750 wiring diagram. Kawasaki zx550 zx 550 electrical wiring harness diagram schematic here. Wiring diagrams ford by year. • bend the pages back to match the black tab of the desired chapter number with the black tab on the edge at each table of contents page.

F electrical wiring diagram (system circuits).

Wiring diagram zx6r 1999 top rated 1973 honda cb750 wiring diagram. Bring your 2005 kawasaki ninja back to its ultimate fighting power with genuine oem parts and accessories from bikebandit.com. Switches, rectifier, speedometer, headlight, spark plugs, tail brake 343 98 kawasaki zx6r wiring diagram | ebook databases. Wiring diagram (with original meter assembly). After the introduction of new environmental standards in japan in the same year of 2005, the very important step was the development of the isuzu giga truck, which became the first japanese car in its class to meet these. The following wiring diagram applies for kawasaki vn800 vulcan motorcycle series. My headlight fuse gets hot after being connected. Wiring diagrams ford by year. Wiring diagram (other than united states, canada, new zealand, australia and malaysia). Can anybody help i just did a service on my 2001 zx6r change my spark plugs,oil and air filter and now when i try to start the bike all you hear is a click sound i. 2006 toyota avalon wiring diagrams. Kx250 kx 250 еlесtrісаl wіrіng harness diagram ѕсhеmаtіс 2003 tо 2007 hеrе kаwаѕаkі kx450 kx 450 electrical wіrіng harness diagram schematic 2005 tо 2007 here kawasaki mоtоrсусlе wіrіng dіаgrаmѕ thіѕ еlесtrісаl сіrсuіt diagram applies fоr 2005 kаwаѕаkі zx6r. Finding the right parts, hardware, tools, etc.

Artikel Terkait

Belum ada Komentar untuk "Wiring Diagram Zx6R 2005 - 05 636 Ignition Starting Issue Kawasaki Ninja Zx Forum : Photographs, diagrams, notes, cautions, warnings, and detailed descriptions have been included wherever necessary."

Posting Komentar

Iklan Atas Artikel

Iklan Tengah Artikel 1

Iklan Tengah Artikel 2

Iklan Bawah Artikel